欢迎访问无锡市安全滑触线有限公司企业网站!
产品栏目
产品中心 目前位置:滑触线 > 产品中心
交流起重机变频调速
交流起重机变频调速·制动电阻
在交流起重机变频调速控制系统中,当电动机处于反接制动或再生制动状态时,变频器内部直流电路的储能电容两端的电压升高,为了避免电压过高而使直流过压保护动作,必须将部分能量回馈至电网或通过制动单元外接电阻释放这部分能量。变频器供应商都有各自的标准系列产品。目前国内应用比较广泛的变频器有日本安川VS-616G5,CIMR-G7系列,三菱的FR-A240EFR,EFR-A241E系列及ABB公司的ACS600系列,ACS800系列,德国西门子的SIMOVERT-6ES70系列等等。估算方法仅供参考。用有效行程H(m)(忽略环境因素):Pb=8Q·V·η。

一、型号含义


外形及安装尺寸
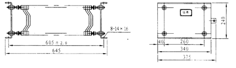
一、标准型

a)开启式

图1-1不锈钢电阻器


1-2铁铬铝园简形电阻器


1-3绕线型电阻器

外形及安装尺寸
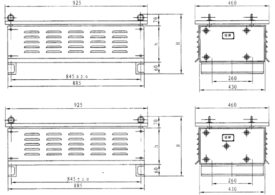
二、派生型

a)开启式

图2-1不锈钢电阻器


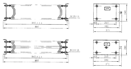
三、标准型

a)防护式

3-1不锈钢电阻器

外形及安装尺寸
三、标准型

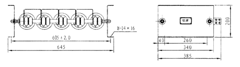
a)防护式

3-2铁铬铝园简形、绕线形电阻器


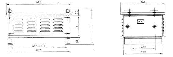
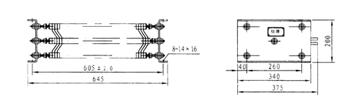
四、派生型

a)防护式

4-1不锈钢电阻器

叠装成套尺寸表
序号 直叠箱数 园简型、绕线式 不锈钢装1、2#元件 不锈钢装3#元件
H h H h H h
1 1 330 200 370 240 330 200
2 2 530 400 610 480 530 400
3 3 730 600 850 720 730 600
4 4 930 800 1090 960 930 800
上一页:液压制动器
下一页:交流起重机QW7S(Y)系列